CV-05-SK ,CV-10-SK ,CV-15-SK,CV-20-SK, 真空发生器,生产厂家,价格
产品简介:
当压缩空气经过喷嘴,产生高速排放,经扩散产生侧面吸引之作用。
定购代码

规格
|
项目 \ 型号
|
CV-05
|
CV-10
|
CV-15
|
CV-20
|
|
允许的流体
|
空气
|
|
基本材质
|
铝合金、铜
|
|
使用压力范围
|
0.1~0.6Mpa
|
|
工作温度
|
0~60℃
|
|
喷嘴直径 (mm)
|
Φ0.5
|
Φ1.0
|
Φ1.5
|
Φ2.0
|
|
真空度
|
-88kPa
|
|
空气消耗量(L/min)
|
13
|
46
|
95
|
185
|
|
进气口螺纹P
|
Rc1/8
|
Rc1/8
|
Rc1/4
|
Rc1/4
|
|
真空口螺纹V
|
Rc1/8
|
Rc1/8
|
Rc1/4
|
Rc3/8
|
|
排气口螺纹E
|
Rc1/8
|
Rc1/8
|
Rc1/4
|
Rc1/2
|
*供给空气压力为0.45MPa 机械式真空信号确认装置
|
项目 \ 机种
|
-S 固定型
|
-SK 可调整式
|
|
设定范围KPa
|
-39.9
|
-20.0~-53.2
|
|
出荷时设定值KPa
|
-39.9
|
-46.6
|
|
动作精度KPa
|
±5.3
|
|
应差KPa
|
4.0~13.3
|
|
电气规格
|
AC125V;5A,AC250V;3A
|
|
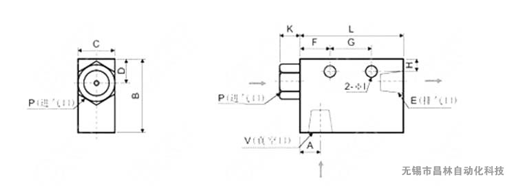
型 号
|
A
|
B
|
C
|
D
|
F
|
G
|
H
|
I
|
K
|
L
|
P
|
V
|
E
|
消声器
|
|
CV-05
|
8
|
32
|
16
|
10
|
14
|
20
|
4.5
|
4.2
|
10
|
45
|
1/8
|
1/8
|
1/8
|
DG-1/8
|
|
CV-10
|
8
|
32
|
16
|
10
|
14
|
20
|
4.5
|
4.2
|
10
|
45
|
1/8
|
1/8
|
1/8
|
DG-1/8
|
|
CV-15
|
10
|
35
|
20
|
11
|
20
|
25
|
5
|
4.5
|
15
|
63
|
1/4
|
1/4
|
1/4
|
DG-1/4
|
|
CV-20
|
13
|
40
|
27
|
15
|
28
|
32
|
7
|
6
|
20
|
85
|
1/4
|
3/8
|
1/2
|
U-1/2
|
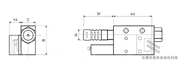
真空信号确认装置
附微动开关-S
|
型 号
|
B
|
C
|
M
|
N
|
|
CV-05-S
|
32
|
16
|
30.2
|
Φ16
|
|
CV-10-S
|
32
|
16
|
30.2
|
Φ16
|
|
CV-15-S
|
35
|
20
|
51.5
|
Φ20
|
|
CV-20-S
|
40
|
27
|
80
|
Φ30
|
|
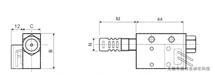
型 号
|
B
|
C
|
M
|
N
|
|
CV-05-SK
|
32
|
16
|
30.2
|
Φ16
|
|
CV-10-SK
|
32
|
16
|
30.2
|
Φ16
|
|
CV-15-SK
|
35
|
20
|
51.5
|
Φ20
|
|
CV-20-SK
|
50
|
30
|
80
|
Φ30
|